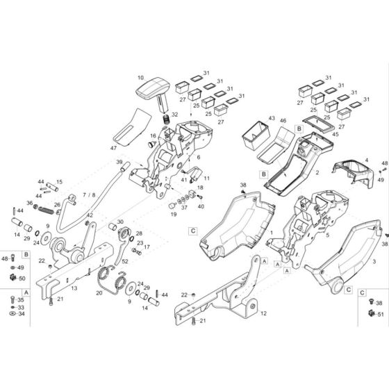
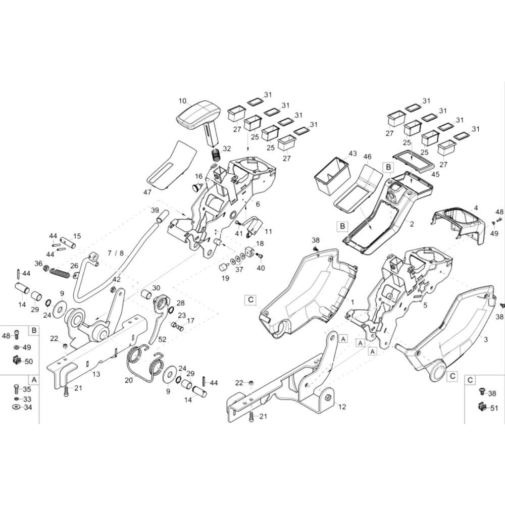
Description
The Control Lever Assembly for the Wacker 75Z3 Mini Excavator is designed to ensure precise operation and control of the machine. This assembly includes components such as levers, springs, and linkages, all essential for smooth and efficient performance. Genuine Wacker Neuson parts guarantee compatibility and reliability, maintaining the excavator's functionality.
Reviews
Add a review
Write Your Own Review
Ask a Question
Customer Questions

