Description
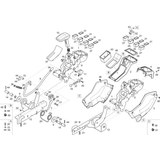
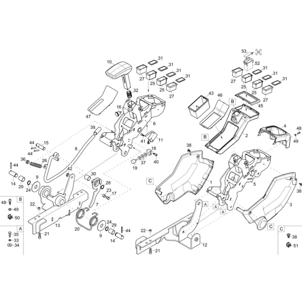
The Control Lever Carrier Assembly for the Wacker 6503 Excavator is essential for precise machine operation. This assembly includes components such as levers, brackets, and linkages, ensuring smooth control and manoeuvrability. Designed for durability and compatibility, it supports efficient excavation tasks. Genuine Wacker Neuson parts guarantee reliability and longevity.
Reviews
Add a review
Write Your Own Review
Ask a Question
Customer Questions

