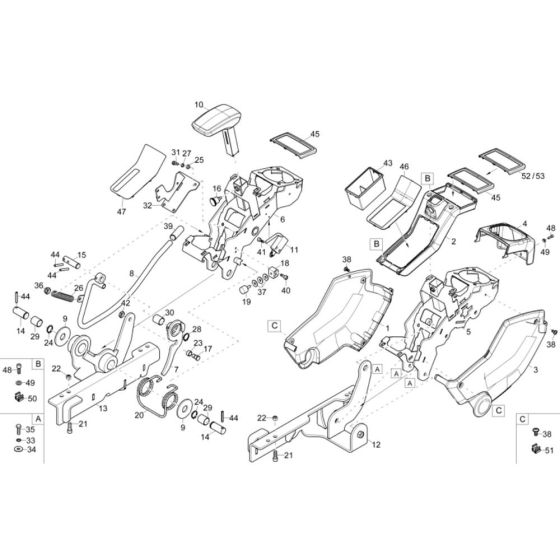
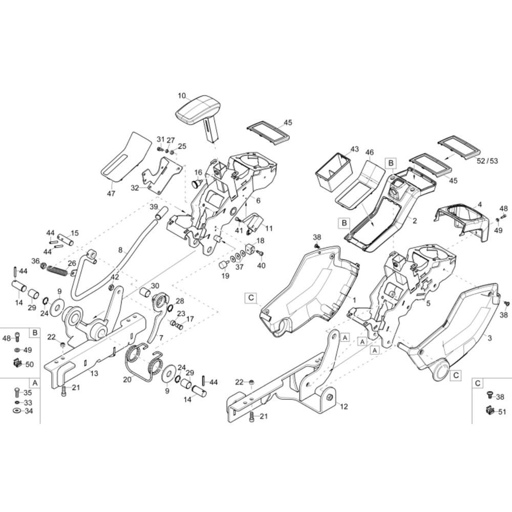
Description
The Control Lever Carrier Assembly for the Wacker EW100 Excavator is designed to ensure precise operation and control. This assembly includes key components such as levers, brackets, and fasteners, essential for maintaining the excavator's functionality. Genuine Wacker Neuson parts ensure compatibility and reliability, supporting efficient excavation tasks.
Reviews
Add a review
Write Your Own Review
Ask a Question
Customer Questions

