Description
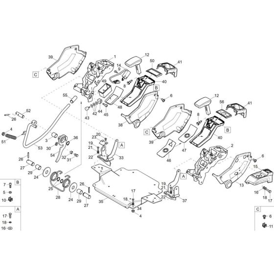
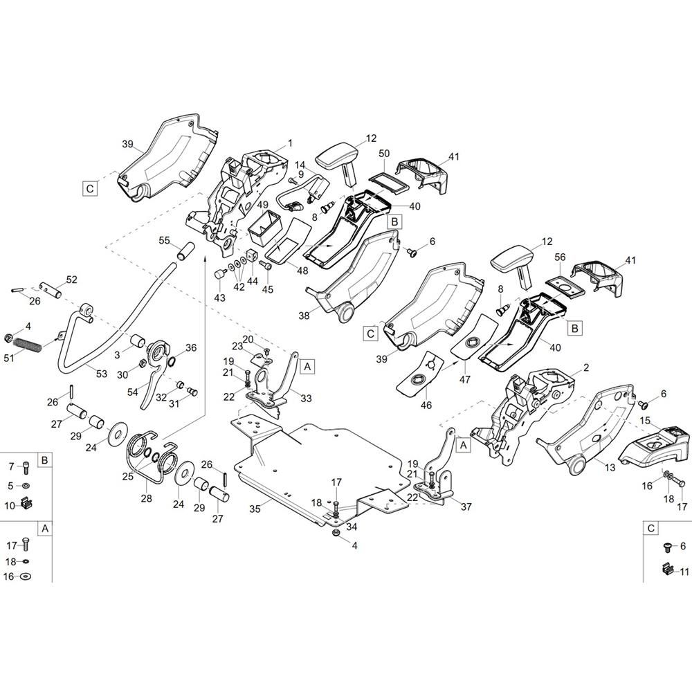
The Control Lever Carrier Assembly for the Wacker EW65 Mini Excavator is a crucial component for precise machine operation. It includes various parts such as levers, brackets, and fasteners, ensuring smooth control and manoeuvrability. Designed to maintain the excavator's efficiency, this assembly supports the operator's input, enhancing performance and reliability.
Reviews
Add a review
Write Your Own Review
Ask a Question
Customer Questions

