Description
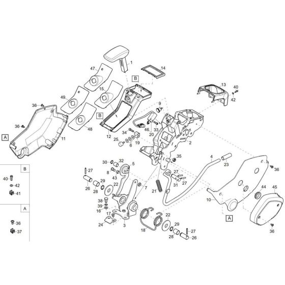
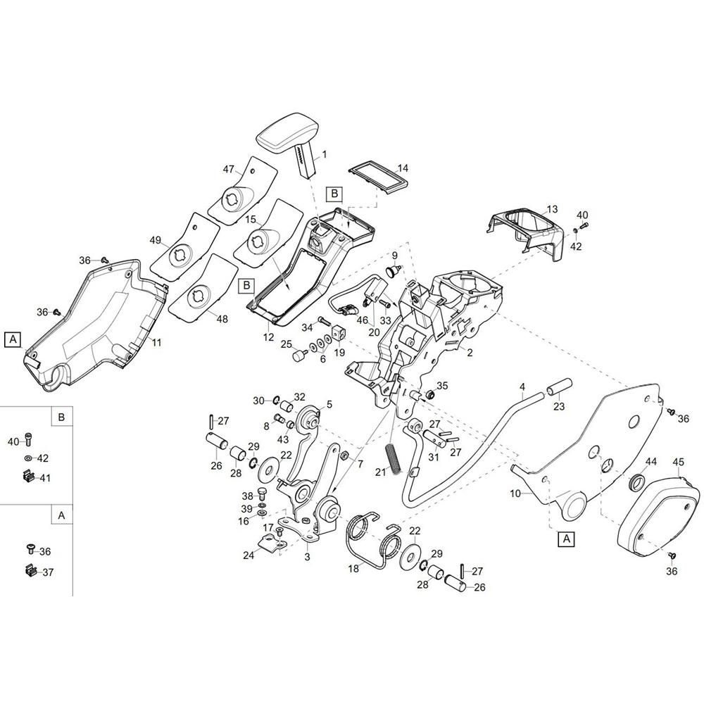
The Control Lever Carrier (Right) Assembly for the Wacker ET20 Mini Excavator is designed to ensure precise operation and control. This assembly includes components such as levers, brackets, and fasteners, essential for maintaining the excavator's functionality. Genuine Wacker Neuson parts ensure compatibility and reliability, supporting efficient machine performance.
Reviews
Add a review
Write Your Own Review
Ask a Question
Customer Questions

