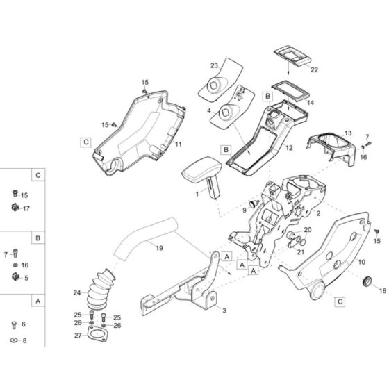
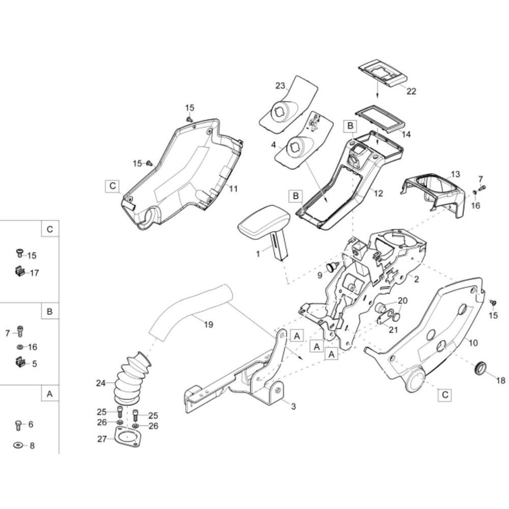
Description
The Control Lever Carrier (Right) Assembly for the Wacker ET35 Mini Excavator is designed to ensure precise operation and control. This assembly includes components that facilitate smooth manoeuvring and efficient handling of the excavator. Genuine Wacker Neuson parts ensure compatibility and reliability, maintaining the machine's performance and longevity.
Reviews
Add a review
Write Your Own Review
Ask a Question
Customer Questions

