Description
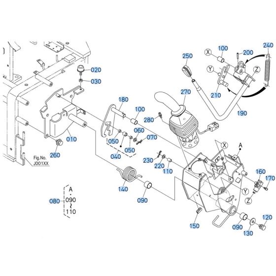
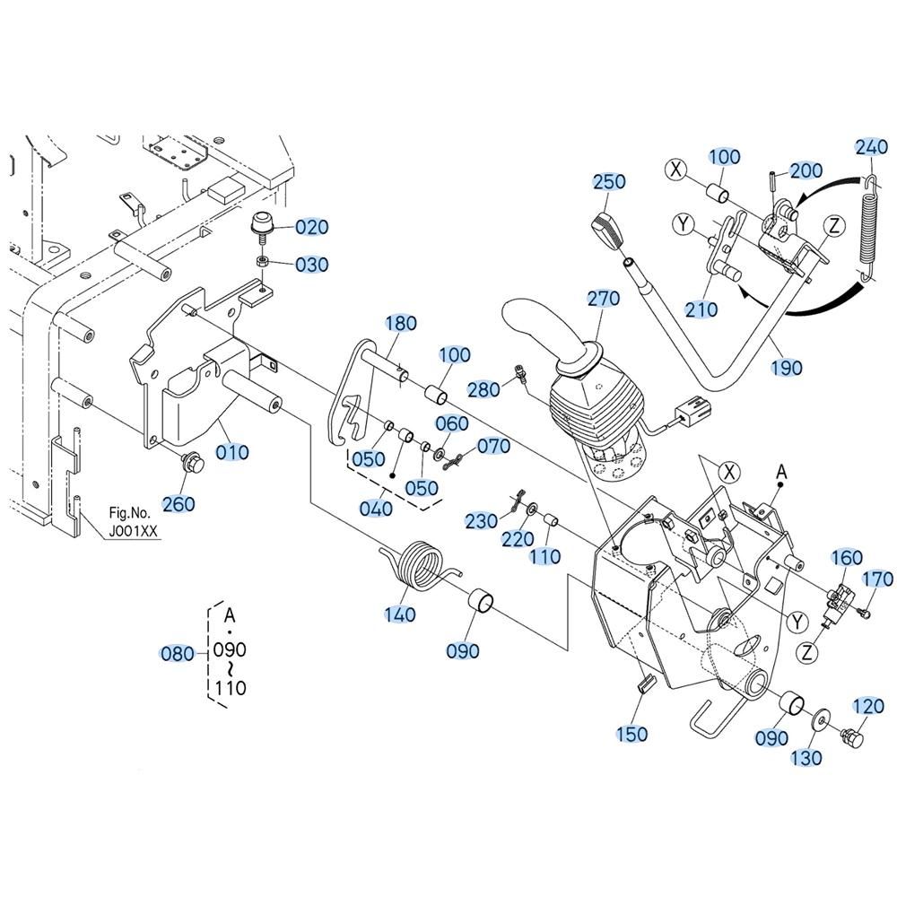
Control Lever (L/H) Assembly for Kubota U17-5 Mini Excavator
Genuine Kubota Parts
Genuine Kubota Parts
Reviews
Add a review
Write Your Own Review
Ask a Question
Customer Questions

