Description
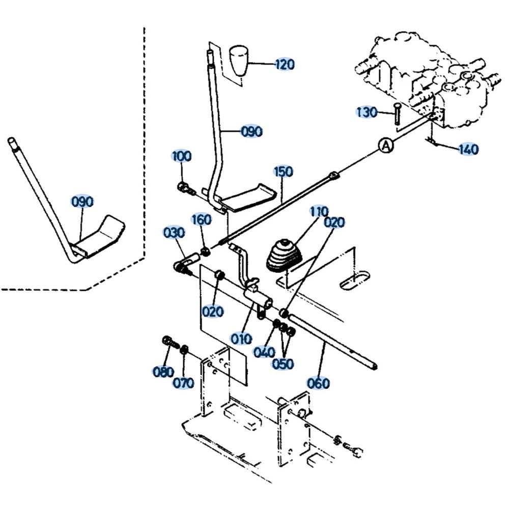
Control Lever (R/H) Assembly for Kubota KH191 Mini Excavator
Genuine Kubota Parts
Genuine Kubota Parts
Reviews
Add a review
Write Your Own Review
Ask a Question
Customer Questions

