Description
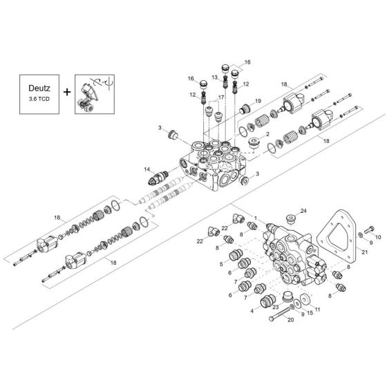
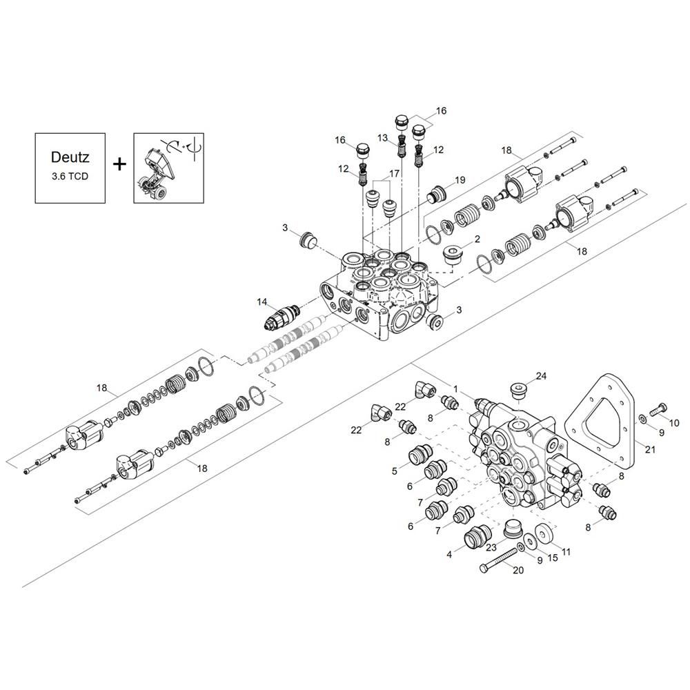
The Control Valve Assembly for the Wacker DV60-2 Dumper is crucial for managing hydraulic flow and ensuring optimal machine performance. This assembly includes components like spools, seals, and springs, which work together to regulate pressure and direction. Designed for durability, these parts help maintain the dumper's efficiency and reliability in various operational conditions.
Reviews
Add a review
Write Your Own Review
Ask a Question
Customer Questions

