Description
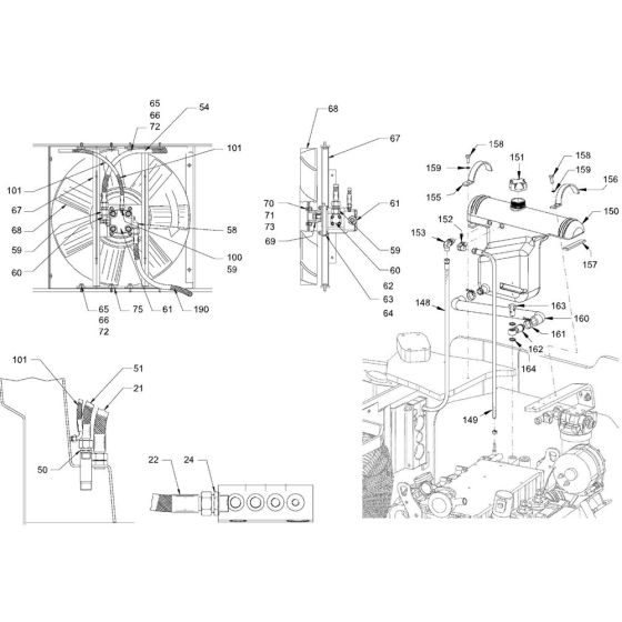
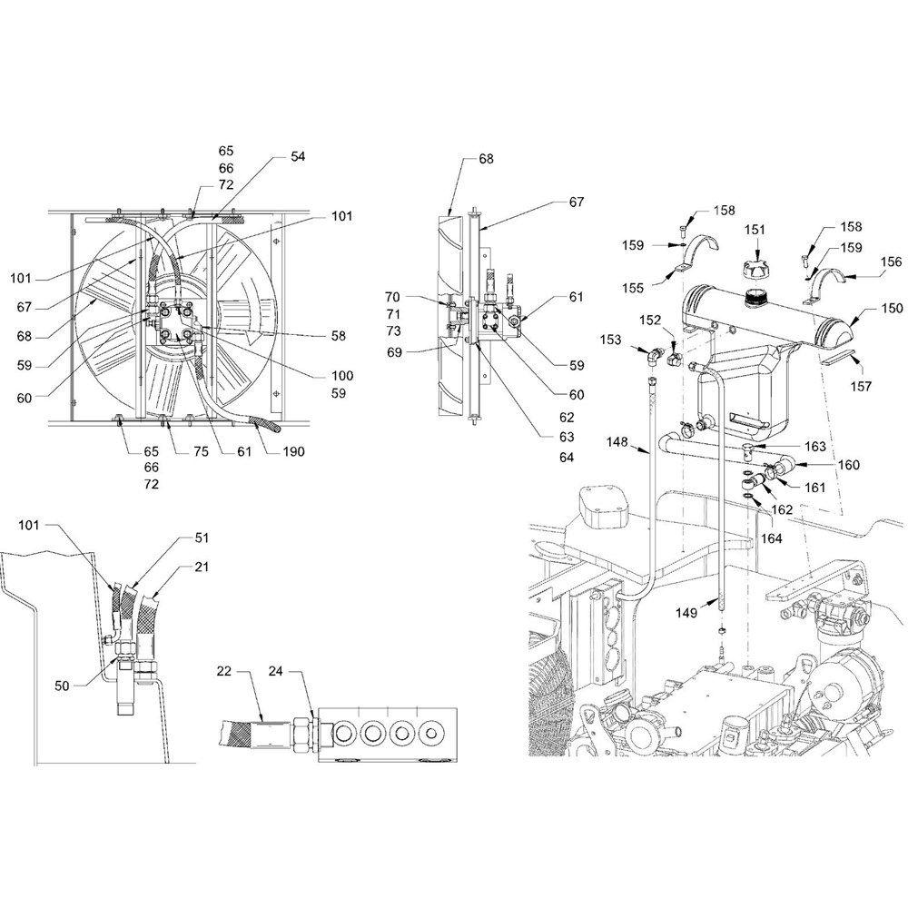
The Cooling Assembly for Hamm HD90 (H245) Rollers is designed to efficiently manage engine and hydraulic oil temperatures, ensuring optimal performance and longevity. This assembly includes key components such as radiators, fans, and hoses, which work together to prevent overheating and maintain smooth operation. Essential for routine maintenance, it supports the reliable functioning of your Hamm roller.
Reviews
Add a review
Write Your Own Review
Ask a Question
Customer Questions

