Description
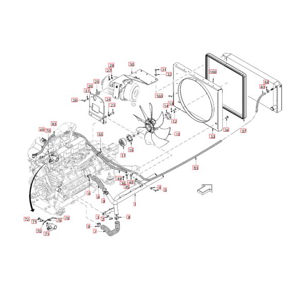
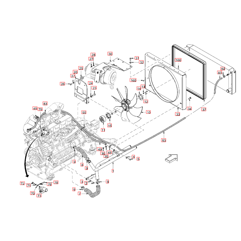
Cooling components for Hamm HD 13-14 (H201) Rollers ensure optimal engine and hydraulic oil temperature management. These parts are crucial for maintaining efficient operation and preventing overheating. Options include both genuine and non-genuine parts, suitable for various maintenance needs. Designed to support the cooling system, these components help extend the lifespan of your machinery.
Reviews
Add a review
Write Your Own Review
Ask a Question
Customer Questions

