Description
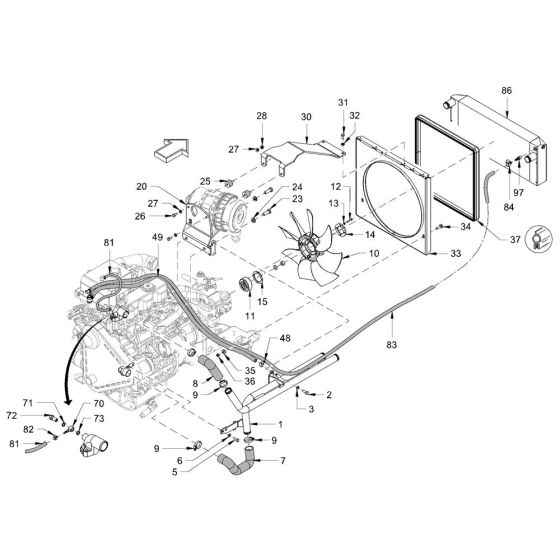
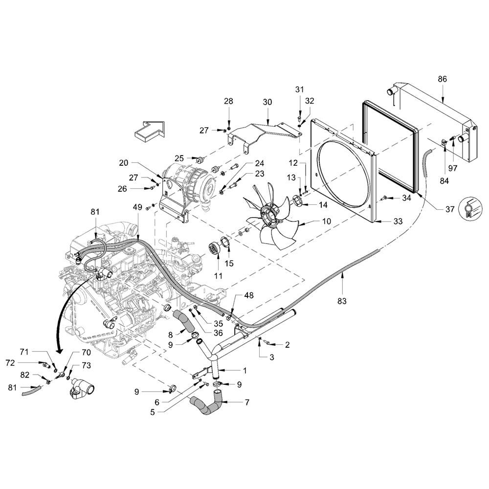
Cooling components for Hamm HD30 - 35 (H247) Rollers ensure optimal engine and hydraulic oil temperature management. These parts are crucial for maintaining efficient operation and preventing overheating. Available options include both genuine and non-genuine parts, catering to various maintenance needs and preferences.
Reviews
Add a review
Write Your Own Review
Ask a Question
Customer Questions

