Description
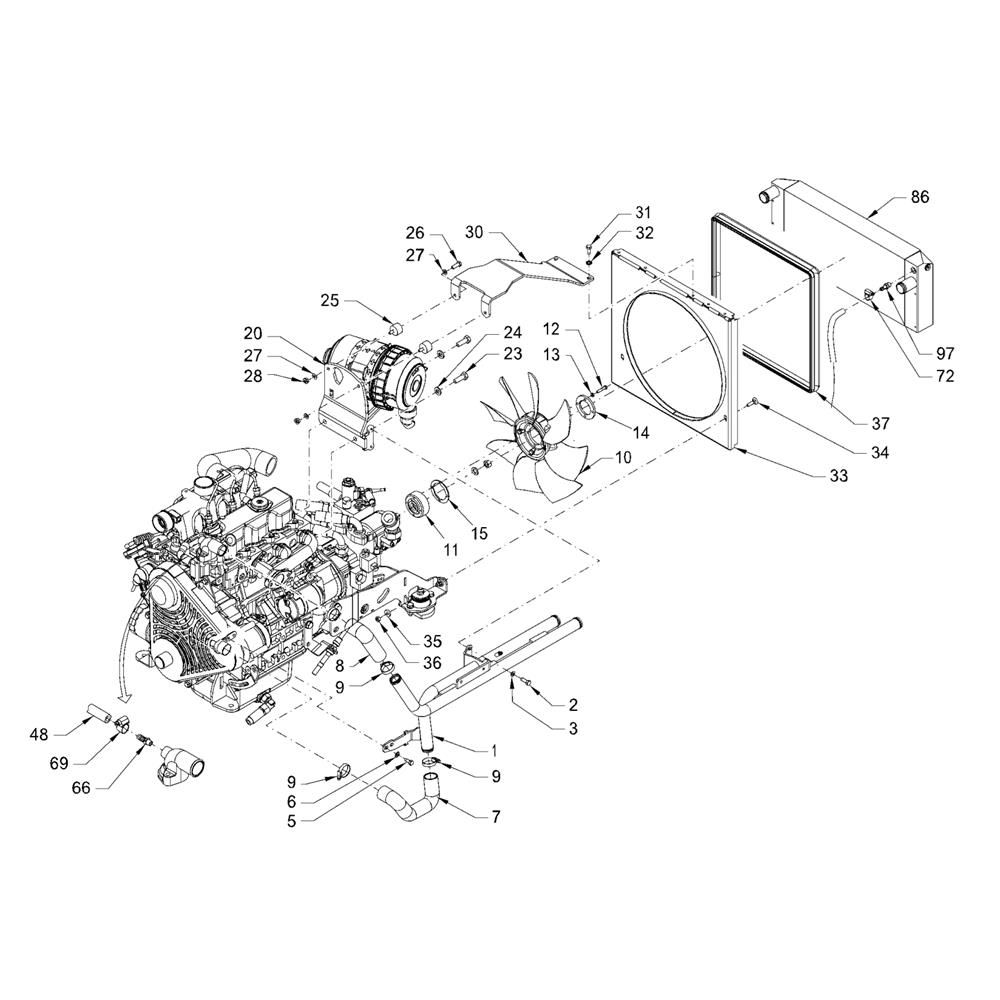
Cooling components for Hamm HD30-35 (H286) Rollers are crucial for maintaining optimal engine and hydraulic oil temperatures. These parts ensure efficient heat dissipation, preventing overheating and prolonging machinery life. Available options include radiators, fans, hoses, and thermostats, suitable for both genuine and non-genuine replacements.
Reviews
Add a review
Write Your Own Review
Ask a Question
Customer Questions

