Description
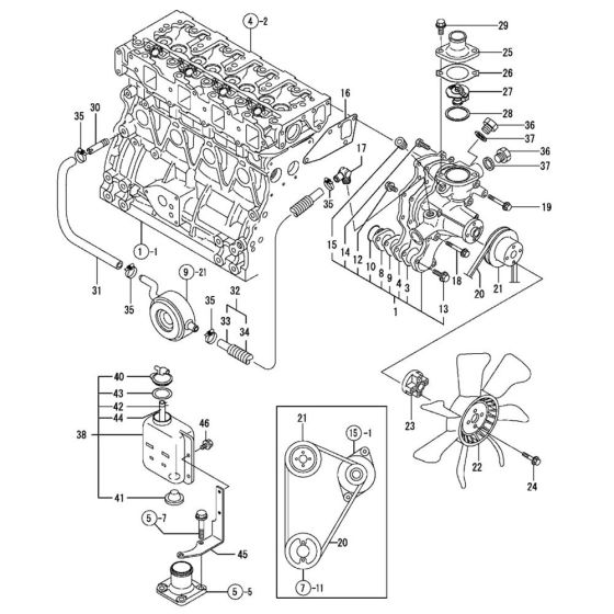
The Cooling Water System Assembly for the Yanmar 4TNE88-RBS1 Engine ensures optimal engine temperature by circulating coolant. This assembly includes components such as pumps, hoses, and thermostats, which work together to prevent overheating and maintain efficient engine performance. Regular maintenance of these parts is essential for prolonging engine life and ensuring reliable operation.
Reviews
Add a review
Write Your Own Review
Ask a Question
Customer Questions

