Description
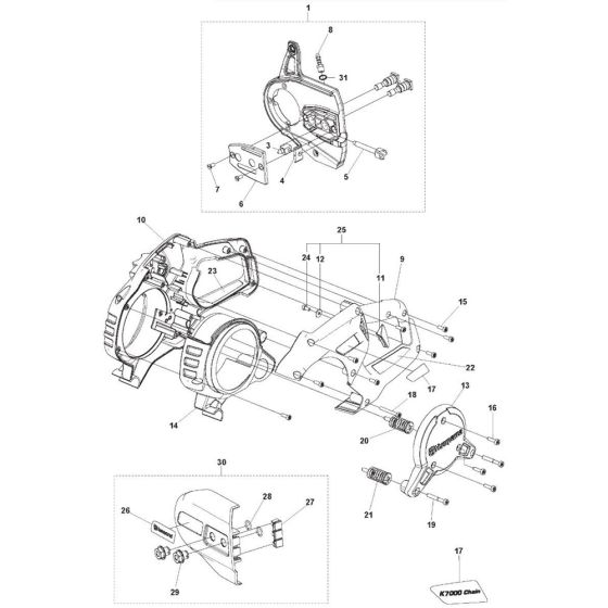
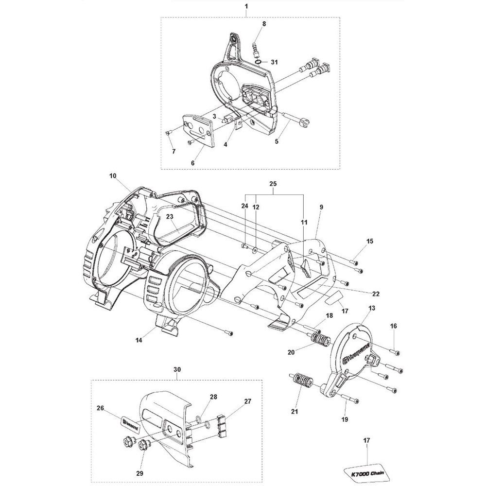
The Cover Assembly for the Husqvarna K7000 Chain Disc Cutter is designed to protect critical components and ensure optimal performance. This genuine Husqvarna part helps shield the machine from dust and debris, maintaining the cutter's efficiency and longevity. Essential for routine maintenance, it includes various protective elements tailored for the K7000 model.
Reviews
Add a review
Write Your Own Review
Ask a Question
Customer Questions

