Description
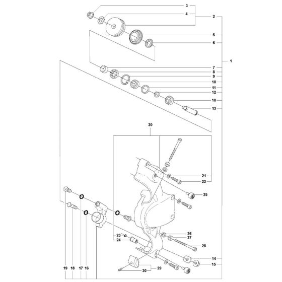
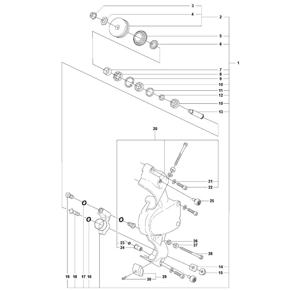
The Cover Assembly for the Husqvarna K7000 Ring Disc Cutter is designed to protect the machine's internal components during operation. This assembly includes essential parts such as protective covers and fasteners, ensuring the disc cutter operates efficiently and safely. Genuine Husqvarna parts are used to maintain the cutter's performance and longevity.
Reviews
Add a review
Write Your Own Review
Ask a Question
Customer Questions

