Description
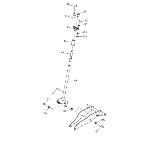
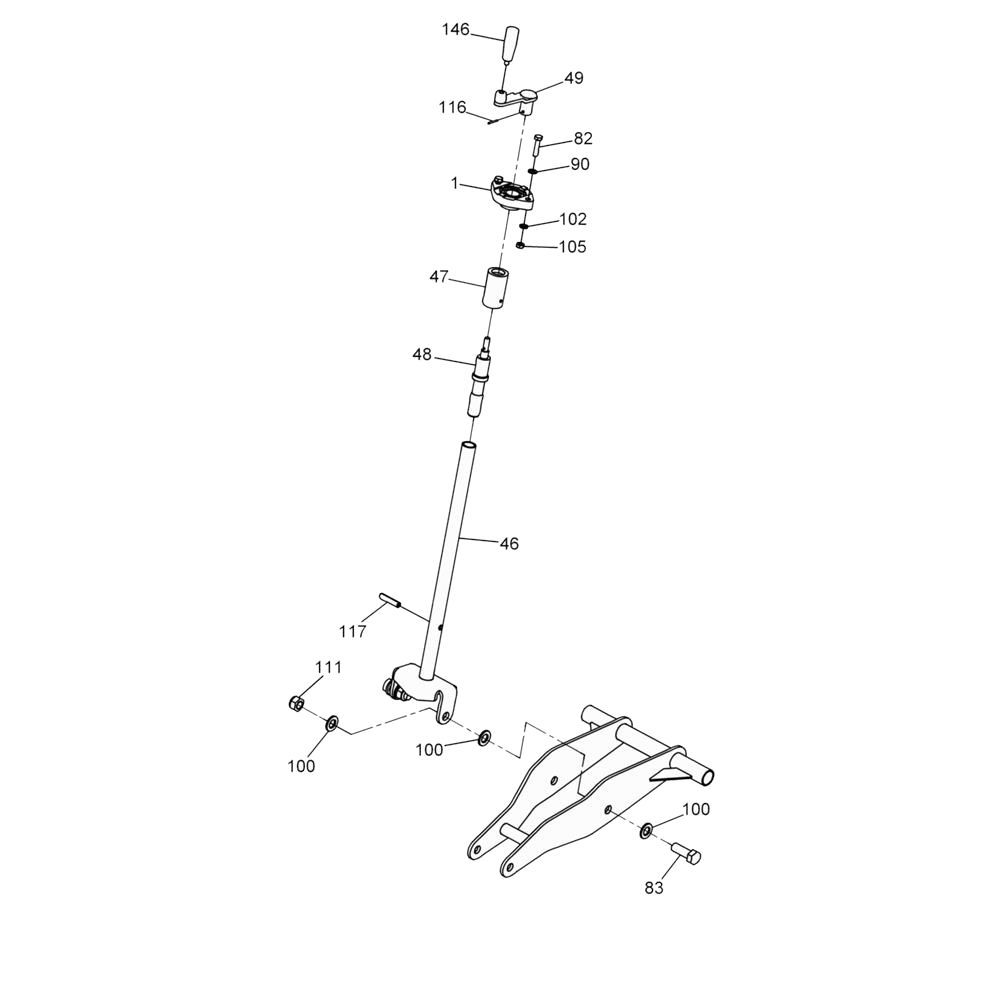
The Crank Assembly for the Wacker MFSX14 Floor Saw is designed to ensure optimal performance and longevity. This assembly includes key components such as gears, shafts, and bearings, which are essential for the smooth operation of the floor saw. Regular maintenance with genuine Wacker Neuson parts helps in reducing wear and extending the service life of the equipment.
Reviews
Add a review
Write Your Own Review
Ask a Question
Customer Questions

