Description
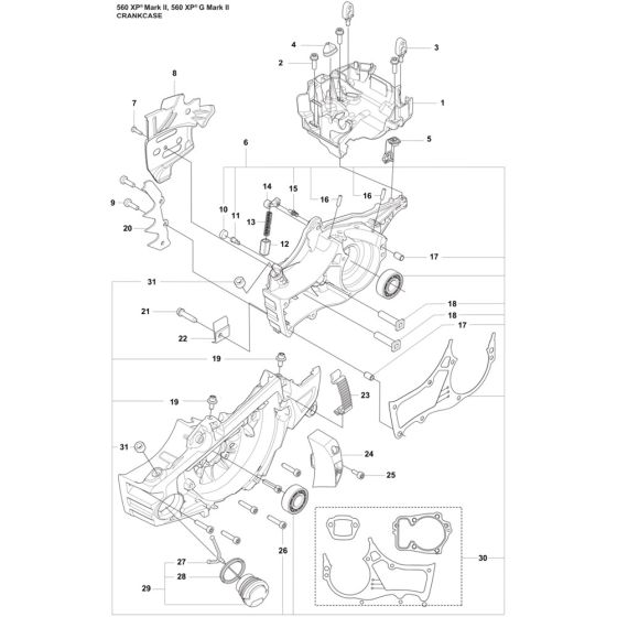
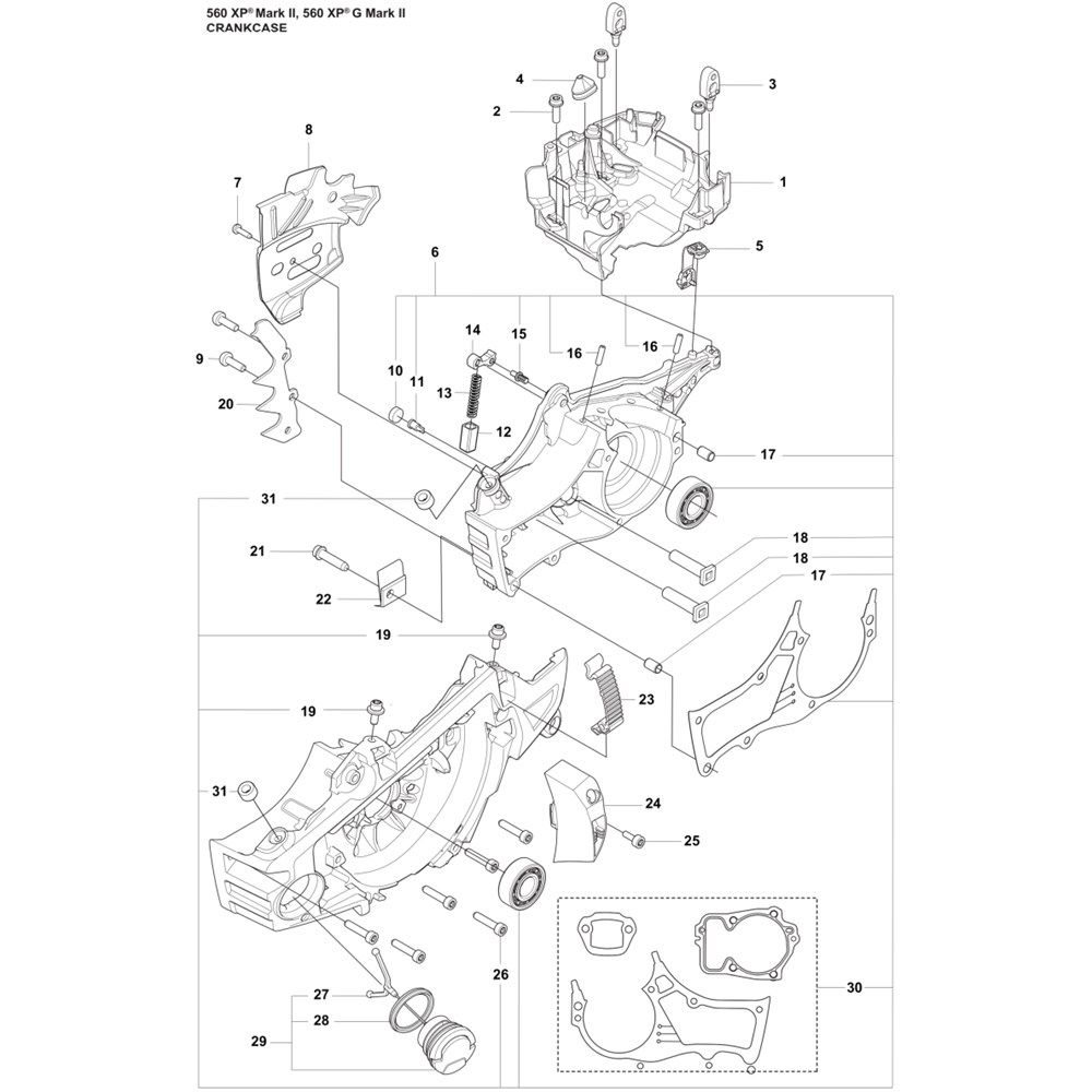
The Crankcase Assembly for the Husqvarna 560XPG Mark II Chainsaw is essential for housing the engine's moving parts, ensuring optimal performance and durability. This genuine Husqvarna component is designed to maintain the integrity of the chainsaw, reducing wear and tear. It includes key elements such as gaskets, seals, and fasteners, crucial for reliable operation.
Reviews
Add a review
Write Your Own Review
Ask a Question
Customer Questions

