Description
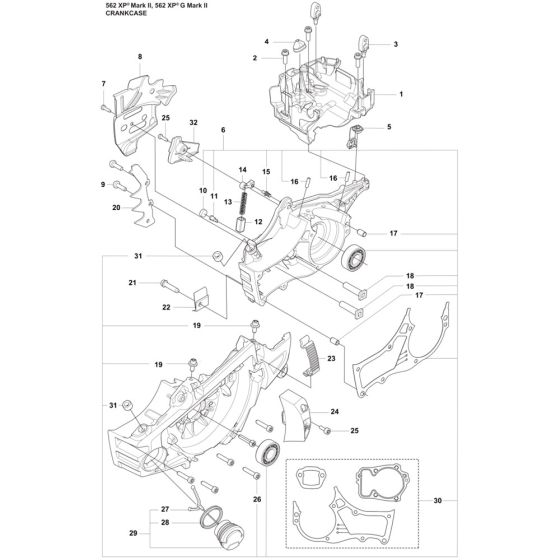
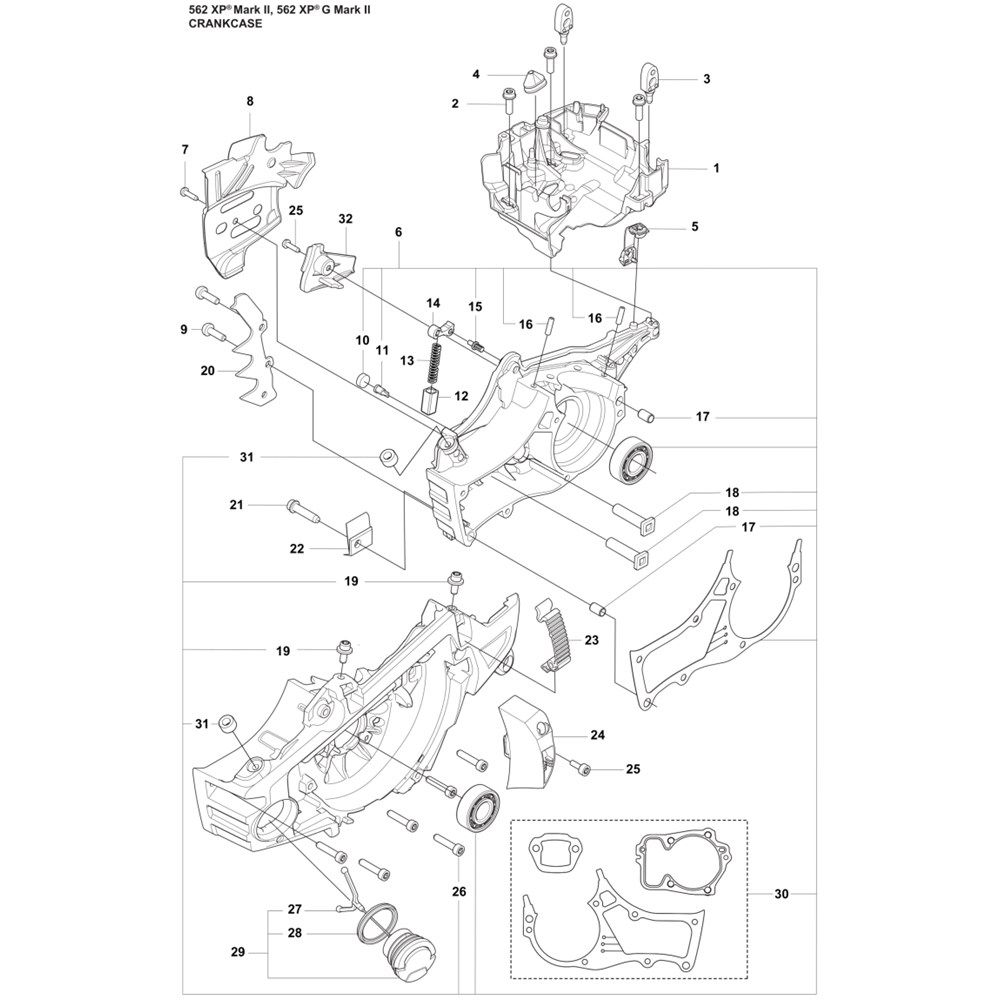
The Crankcase Assembly for the Husqvarna 562XPG Mark II Chainsaw is essential for housing and protecting the engine components. It ensures the chainsaw operates smoothly by maintaining alignment and stability of internal parts. This assembly includes key components such as bearings, seals, and gaskets, which are crucial for optimal performance and longevity of the chainsaw.
Reviews
Add a review
Write Your Own Review
Ask a Question
Customer Questions

