Description
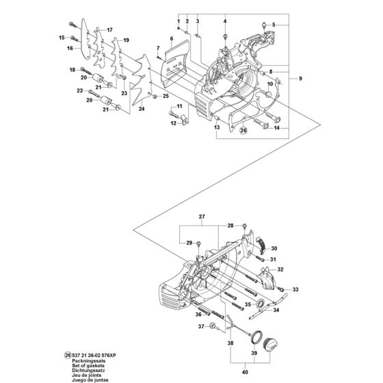
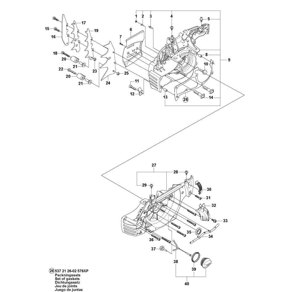
The Crankcase Assembly for the Husqvarna 576XP AutoTune Chainsaw is a crucial component for maintaining optimal engine performance. This assembly houses the engine's moving parts, ensuring stability and efficient operation. Genuine Husqvarna parts are included, such as bearings, seals, and gaskets, to provide durability and reliability. Designed for easy maintenance and repair, it supports the chainsaw's longevity and performance.
Reviews
Add a review
Write Your Own Review
Ask a Question
Customer Questions

