Description
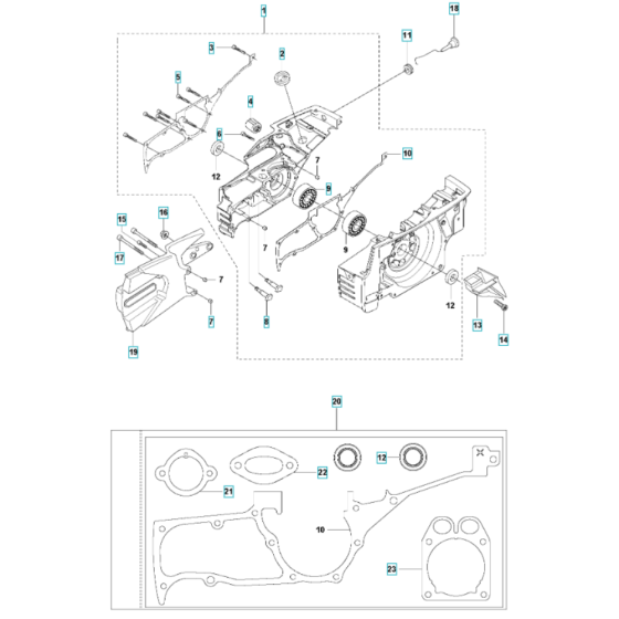
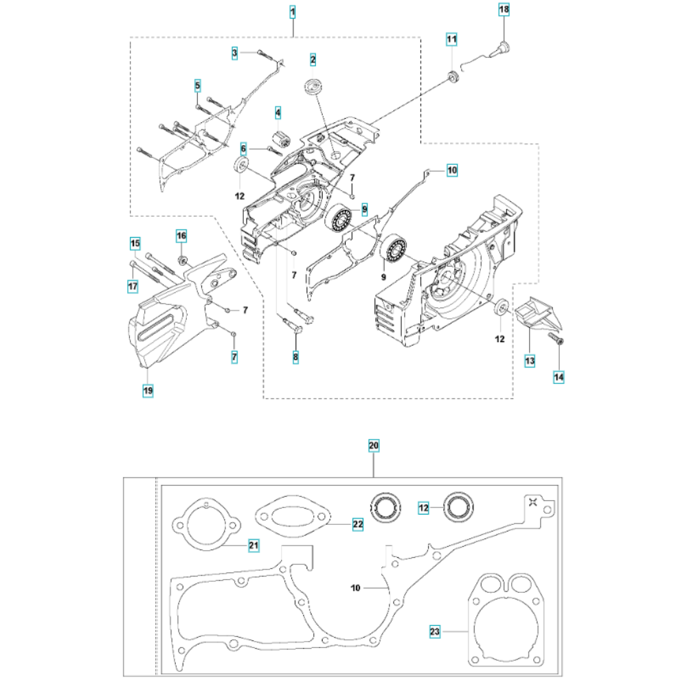
The Crankcase Assembly for the Husqvarna K1270 I Disc Cutter is essential for housing and protecting the engine components. This genuine Husqvarna part ensures optimal performance and longevity of your disc cutter. The assembly includes key components such as gaskets, seals, and fasteners, designed to withstand the rigours of heavy-duty cutting tasks.
Reviews
Add a review
Write Your Own Review
Ask a Question
Customer Questions

