Description
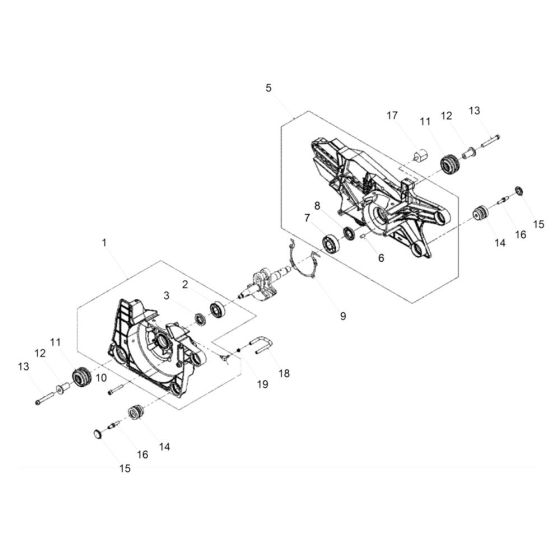
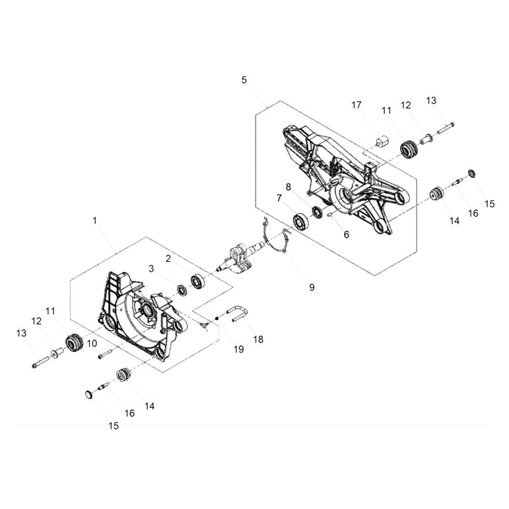
The Crankcase Assembly for the Wacker BTS 630 Disc Cutter is essential for housing the engine components, ensuring optimal performance and longevity. This assembly includes key parts such as gaskets, seals, and bearings, which help maintain the integrity of the engine by preventing leaks and reducing wear. Designed for durability, it supports the cutter's operation in demanding conditions.
Reviews
Add a review
Write Your Own Review
Ask a Question
Customer Questions

