Description
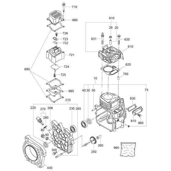
The Crankcase Assembly for the Wacker WM 100 Engine is essential for housing the engine's moving parts, ensuring optimal performance and longevity. This assembly includes components like gaskets, seals, and bearings, which are crucial for maintaining engine integrity and preventing leaks. Genuine Wacker Neuson parts ensure compatibility and reliability.
Reviews
Add a review
Write Your Own Review
Ask a Question
Customer Questions

