Description
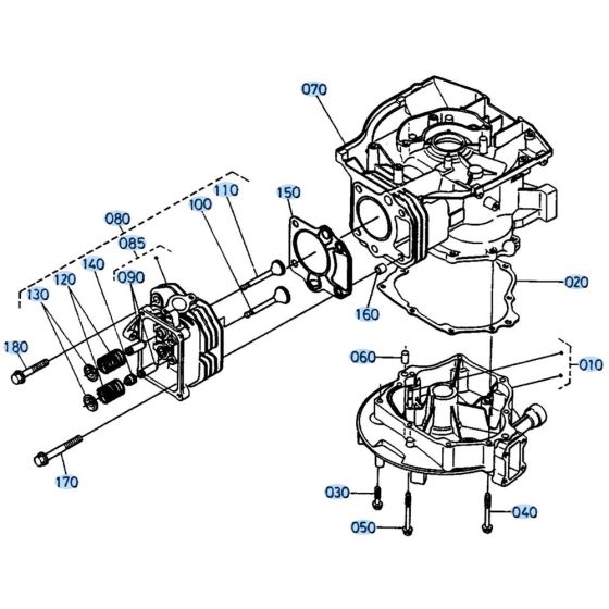
Crankcase Cover Assembly for Kubota W5019-PC Mower
Genuine Kubota Parts
Genuine Kubota Parts
Reviews
Add a review
Write Your Own Review
Ask a Question
Customer Questions

