Description
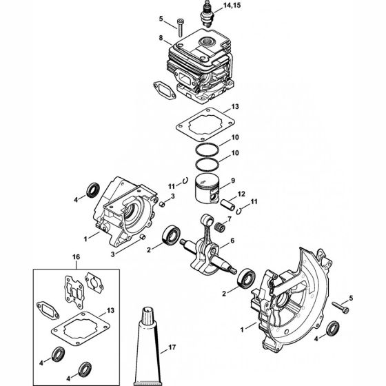
The Crankcase & Cylinder 2-Mix Assembly for the Stihl FR230 Backpack Brushcutter is essential for maintaining engine performance and longevity. This assembly includes components such as the crankcase, cylinder, and associated seals, ensuring efficient operation. Designed for both genuine and non-genuine parts, it supports routine maintenance and repairs.
Reviews
Add a review
Write Your Own Review
Ask a Question
Customer Questions

