Description
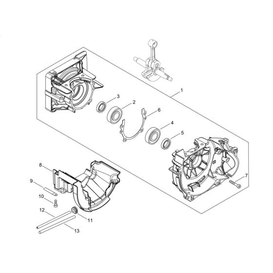
The crankcase for the ECHO BCLS-520ES Brushcutter is essential for housing the engine's internal components, ensuring optimal performance and longevity. It provides a secure enclosure for parts like the crankshaft and bearings, reducing wear and tear. Available in both genuine and non-genuine options, this crankcase supports efficient operation and maintenance of your brushcutter.
Reviews
Add a review
Write Your Own Review
Ask a Question
Customer Questions

