Description
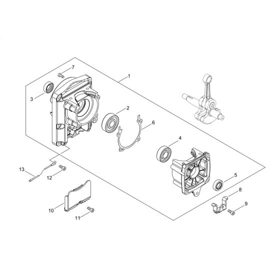
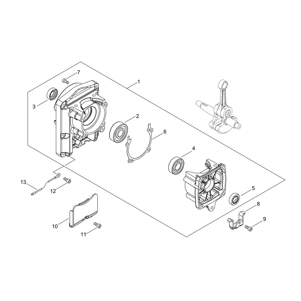
The crankcase for the ECHO PB-580 Backpack Blower is essential for housing the engine components, ensuring optimal performance and longevity. It provides a secure enclosure for the crankshaft and other moving parts, reducing wear and tear. Available in genuine and non-genuine options, it supports efficient engine operation and maintenance.
Reviews
Add a review
Write Your Own Review
Ask a Question
Customer Questions

