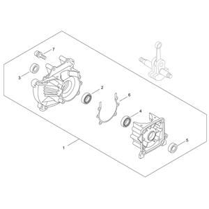
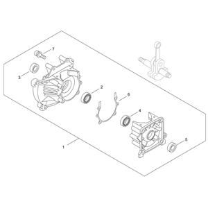
Description
The crankcase for the ECHO RM-4300 Brushcutter is essential for housing the engine's moving parts, ensuring optimal performance and longevity. It plays a crucial role in maintaining engine integrity by providing a robust enclosure for components such as the crankshaft and connecting rods. Available in both genuine and non-genuine options, it supports efficient operation and durability.
Reviews
Add a review
Write Your Own Review
Ask a Question
Customer Questions

