Description
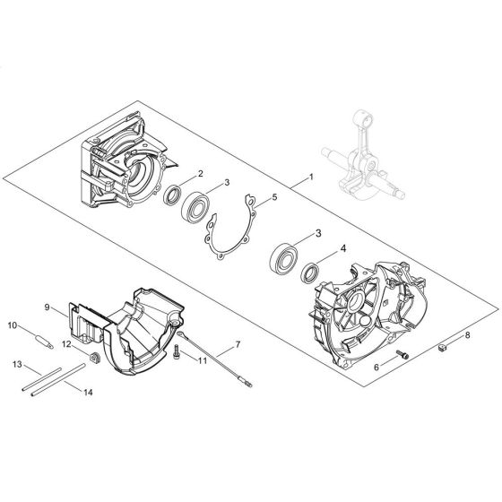
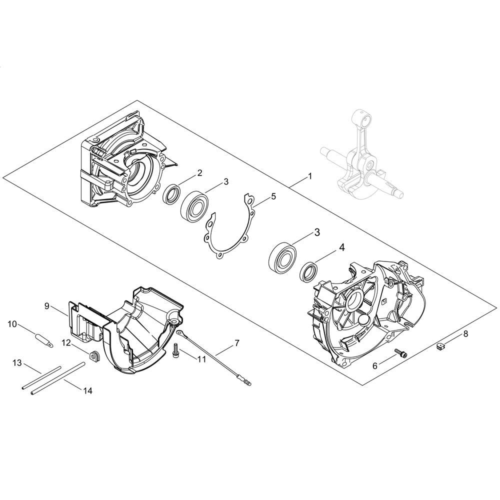
The crankcase for the ECHO SRM-420ES-LW Brushcutter is essential for housing the engine's moving parts, ensuring optimal performance and longevity. It provides a secure enclosure for components like the crankshaft and bearings, reducing wear and tear. Available in both genuine and non-genuine parts, it supports efficient operation and maintenance of your brushcutter.
Reviews
Add a review
Write Your Own Review
Ask a Question
Customer Questions

