Description
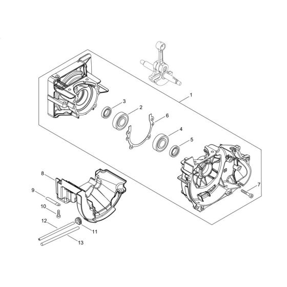
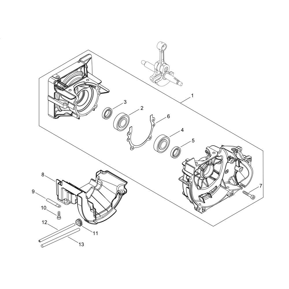
The crankcase for the ECHO SRM-520ES Brushcutter is essential for housing the engine's moving parts, ensuring optimal performance and longevity. It provides a protective casing for components such as the crankshaft and bearings. Available in genuine and non-genuine options, these parts are designed to fit precisely and maintain the brushcutter's efficiency.
Reviews
Add a review
Write Your Own Review
Ask a Question
Customer Questions

