Description
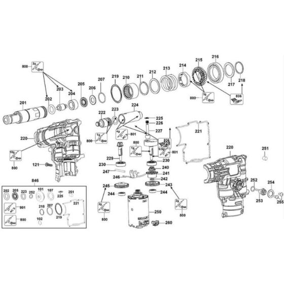
The Crankshaft Assembly for the DeWalt DC212K Type 1 Rotary Hammer is crucial for converting linear motion into rotational force, ensuring efficient operation. This assembly includes components like bearings, seals, and connecting rods, designed to maintain the tool's performance and longevity. Genuine and non-genuine DeWalt parts are available to suit various repair needs.
Reviews
Add a review
Write Your Own Review
Ask a Question
Customer Questions

