Description
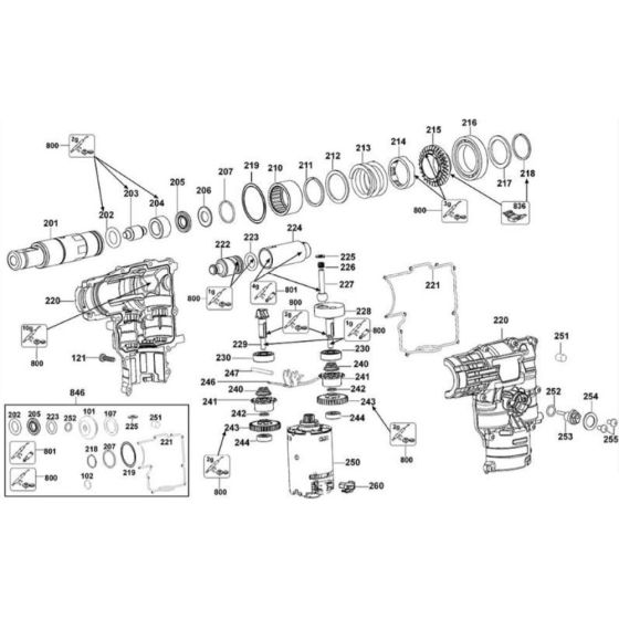
The Crankshaft Assembly for the DeWalt DC213 Type 1 Rotary Hammer is crucial for converting linear motion into rotational force, enabling efficient drilling. This assembly includes components such as bearings, seals, and connecting rods, ensuring smooth operation and longevity. Available in both genuine and non-genuine DeWalt parts, it supports maintenance and repair needs.
Reviews
Add a review
Write Your Own Review
Ask a Question
Customer Questions

