Description
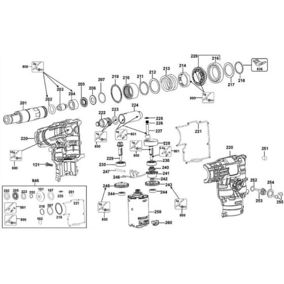
The Crankshaft Assembly for the DeWalt DC222K Type 2 Rotary Hammer is crucial for converting linear motion to rotational force, ensuring efficient operation. This assembly includes key components such as bearings, seals, and connecting rods, designed to maintain the hammer's performance and durability. Available in both genuine and non-genuine DeWalt parts.
Reviews
Add a review
Write Your Own Review
Ask a Question
Customer Questions

