Description
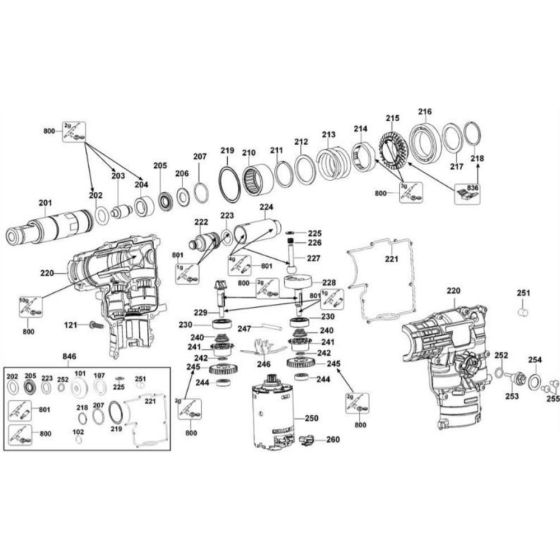
The Crankshaft Assembly for the DeWalt DC223K Type 1 Rotary Hammer is essential for converting linear piston motion into rotational motion, driving the hammer's performance. This assembly includes components such as bearings, seals, and connecting rods, ensuring efficient operation and longevity. Available in genuine and non-genuine DeWalt parts, it supports regular maintenance and repair needs.
Reviews
Add a review
Write Your Own Review
Ask a Question
Customer Questions

