Description
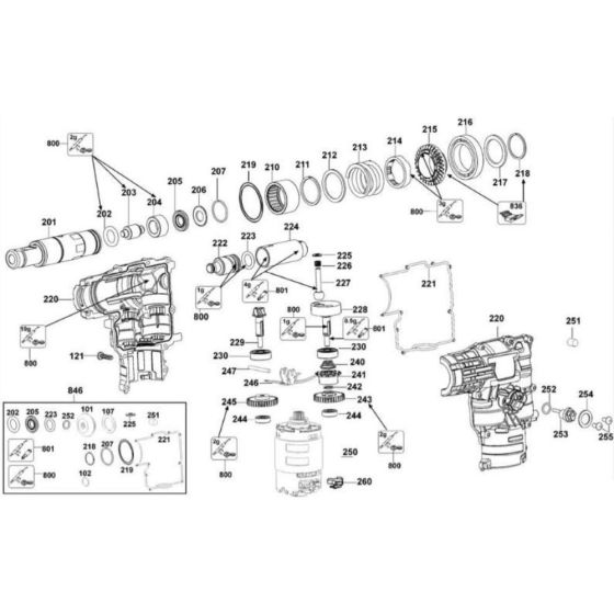
The Crankshaft Assembly for the DeWalt DC232K Type 1 Rotary Hammer is crucial for converting linear motion into rotational force, ensuring efficient operation. This assembly includes components such as bearings, seals, and connecting rods, which are essential for maintaining the tool's performance. Available in both genuine and non-genuine DeWalt parts, it supports routine maintenance and repairs.
Reviews
Add a review
Write Your Own Review
Ask a Question
Customer Questions

