Description
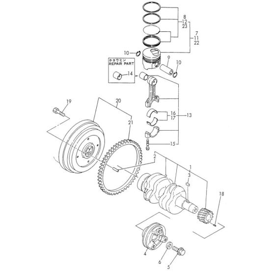
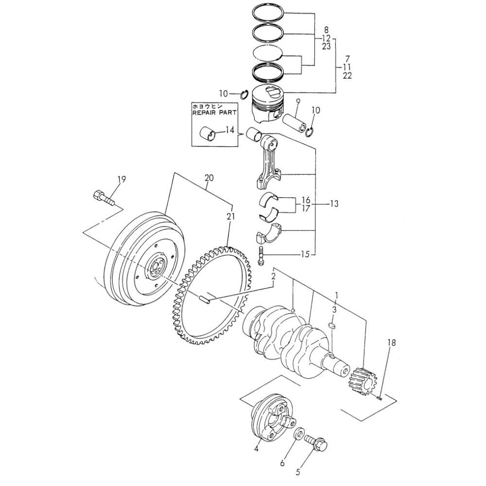
The Crankshaft and Piston Assembly for the Yanmar 2TN66L-UTBA Engine includes key components essential for engine operation. This assembly ensures smooth power delivery and efficient performance. Components such as pistons, rings, and crankshafts are designed to withstand high pressures and temperatures, providing durability and reliability for the engine.
Reviews
Add a review
Write Your Own Review
Ask a Question
Customer Questions

