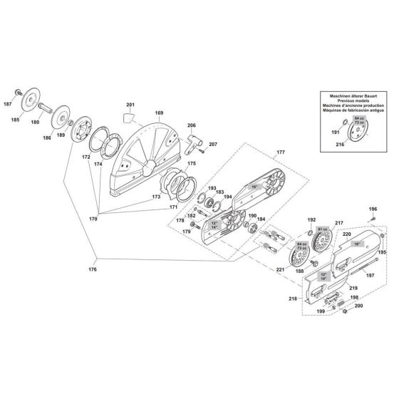
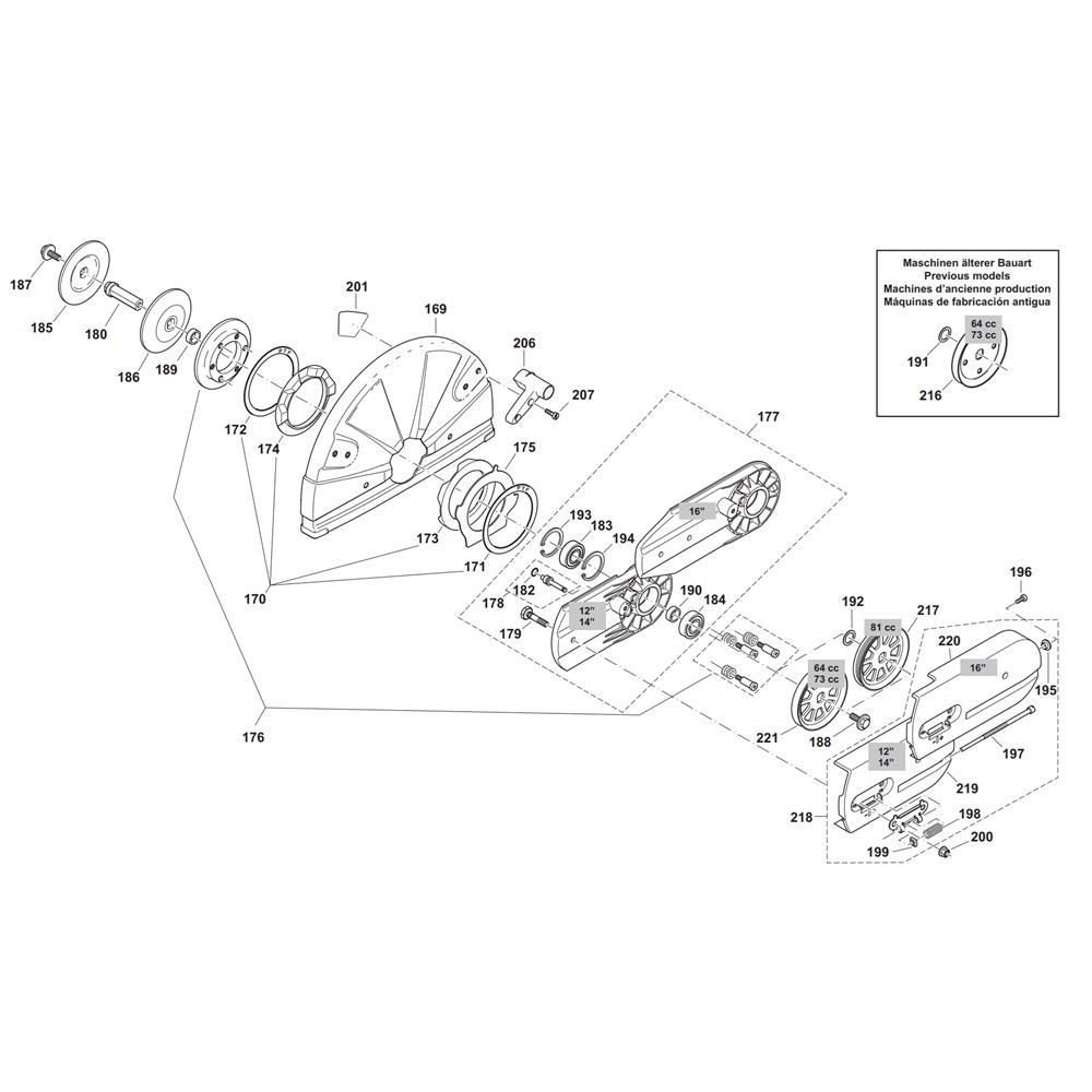
Description
The Protection Hood Assembly for the Makita DPC8111 Disc Cutter ensures safety and optimal performance during cutting tasks. This assembly includes essential components like the cutting device and protective hood, designed to shield users from debris and enhance cutting precision. Genuine Makita parts ensure compatibility and reliability for professional use.
Reviews
Add a review
Write Your Own Review
Ask a Question
Customer Questions

