Description
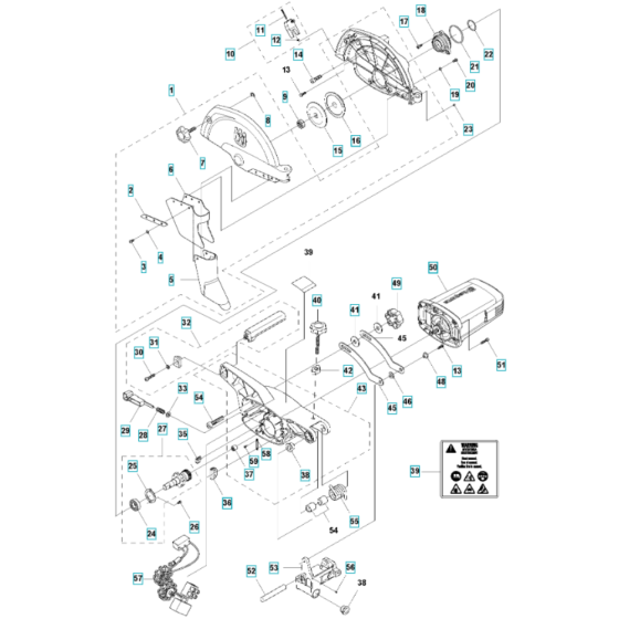
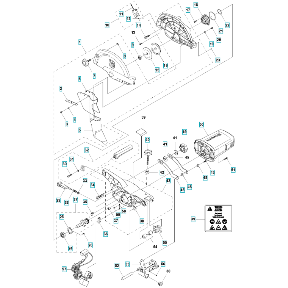
The Cutting Head Assembly for the Husqvarna TS 60 Masonry Saw is designed to ensure precise and efficient cutting performance. This assembly includes key components such as blades, guards, and mounting brackets, essential for maintaining the saw's functionality. Ideal for professional masonry work, it supports accurate cuts in various materials.
Reviews
Add a review
Write Your Own Review
Ask a Question
Customer Questions

