Description
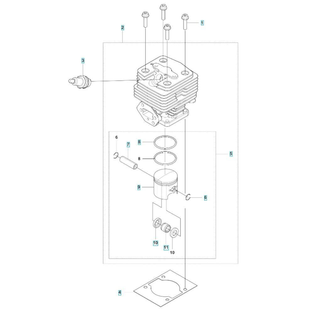
The Cylinder Assembly for the Husqvarna 143RST Brushcutter is essential for maintaining optimal engine performance. This assembly includes components that ensure efficient combustion and power delivery, such as pistons, rings, and gaskets. Designed for durability, these genuine Husqvarna parts help extend the life of your brushcutter by providing reliable operation in demanding conditions.
Reviews
Add a review
Write Your Own Review
Ask a Question
Customer Questions

