Description
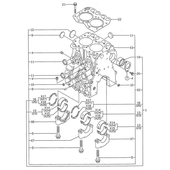
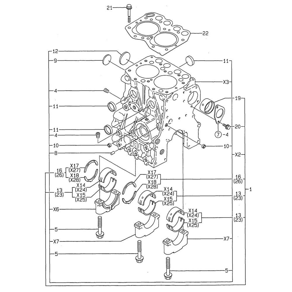
The Cylinder Block Assembly for the Yanmar 2TN66E-DB Engine is a crucial component designed to house the engine's cylinders and associated parts. This assembly ensures optimal engine performance and longevity by providing a robust structure for the pistons and crankshaft. Genuine Yanmar parts are included, offering reliability and compatibility with the 2TN66E-DB model.
Reviews
Add a review
Write Your Own Review
Ask a Question
Customer Questions

