Description
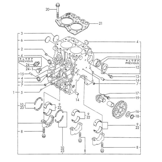
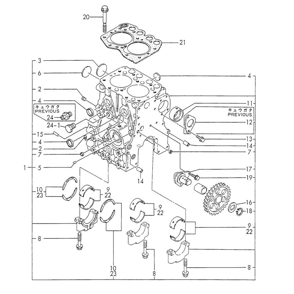
The Cylinder Block Assembly for the Yanmar 2TN66L-UTBA Engine is crucial for maintaining engine integrity and performance. This assembly includes components such as pistons, liners, and gaskets, ensuring efficient combustion and power output. Designed for durability, it supports the engine's structural framework and houses the cylinders, playing a vital role in the engine's operation.
Reviews
Add a review
Write Your Own Review
Ask a Question
Customer Questions

