Description
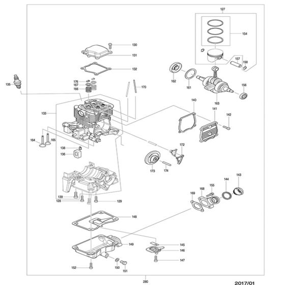
The Cylinder Block Assembly for the Makita EB5300TH Backpack Blower is crucial for maintaining engine efficiency and performance. This assembly includes components such as pistons, rings, and gaskets, ensuring optimal operation and longevity. Available in genuine and non-genuine parts, it supports regular maintenance and repair needs.
Reviews
Add a review
Write Your Own Review
Ask a Question
Customer Questions

