Description
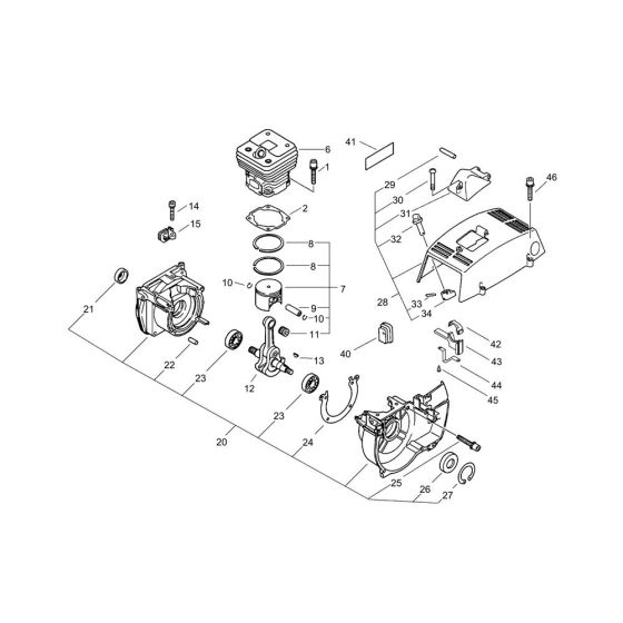
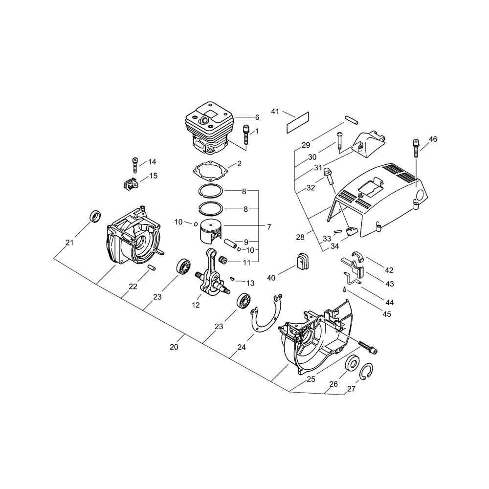
The Cylinder, Crankcase, and Piston assembly for the ECHO CLS-5800 Brushcutter is crucial for optimal engine performance. This assembly includes components that ensure efficient combustion and power delivery. Available in genuine and non-genuine parts, it supports maintenance and repair needs, helping to extend the lifespan of your brushcutter.
Reviews
Add a review
Write Your Own Review
Ask a Question
Customer Questions

