Description
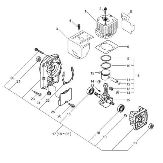
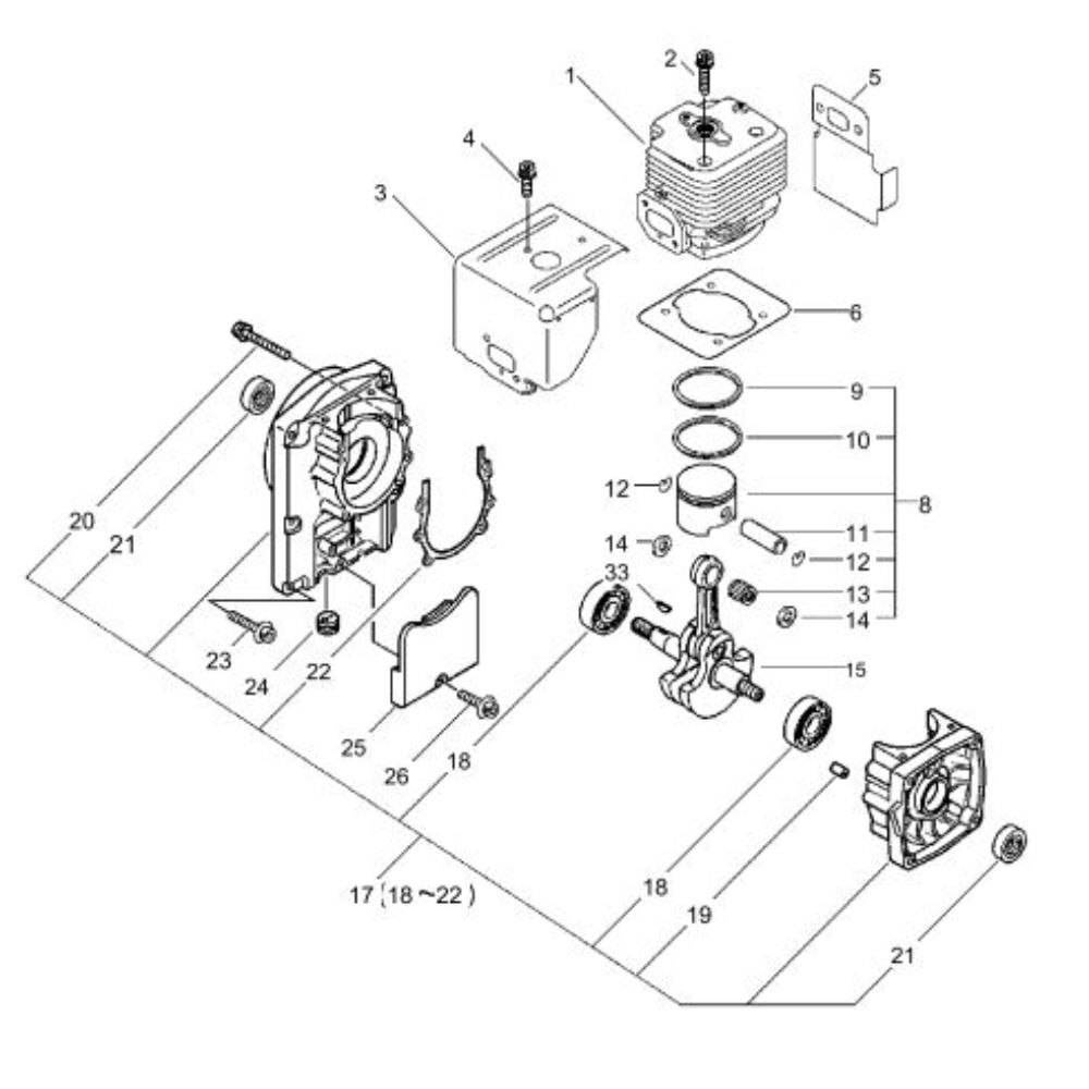
The Cylinder, Crankcase, and Piston set for the ECHO PB-750 Backpack Blower ensures optimal engine performance. These components are crucial for maintaining compression and efficient operation. The cylinder houses the piston, which moves to create the necessary pressure for engine function. The crankcase supports the crankshaft, ensuring smooth motion. Available in genuine and non-genuine options.
Reviews
Add a review
Write Your Own Review
Ask a Question
Customer Questions

