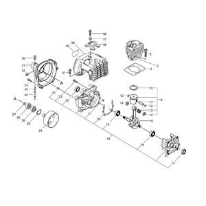
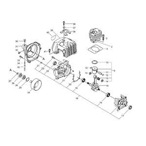
Description
The Cylinder, Crankcase, and Piston set for the ECHO RM-510ES Brushcutter ensures optimal engine performance and longevity. These components are crucial for maintaining compression and efficient fuel combustion. Available in genuine and non-genuine options, they are designed to fit seamlessly, providing reliable operation for demanding brushcutting tasks.
Reviews
Add a review
Write Your Own Review
Ask a Question
Customer Questions

