Description
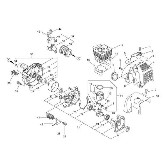
The Cylinder, Crankcase, and Piston assembly for the Shindaiwa PT266S Pole Pruner ensures optimal engine performance and longevity. This assembly includes key components such as the cylinder, crankcase, and piston, which are crucial for maintaining compression and efficient operation. Available in genuine and non-genuine parts, these components are essential for routine maintenance and repair.
Reviews
Add a review
Write Your Own Review
Ask a Question
Customer Questions

