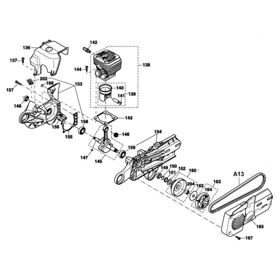
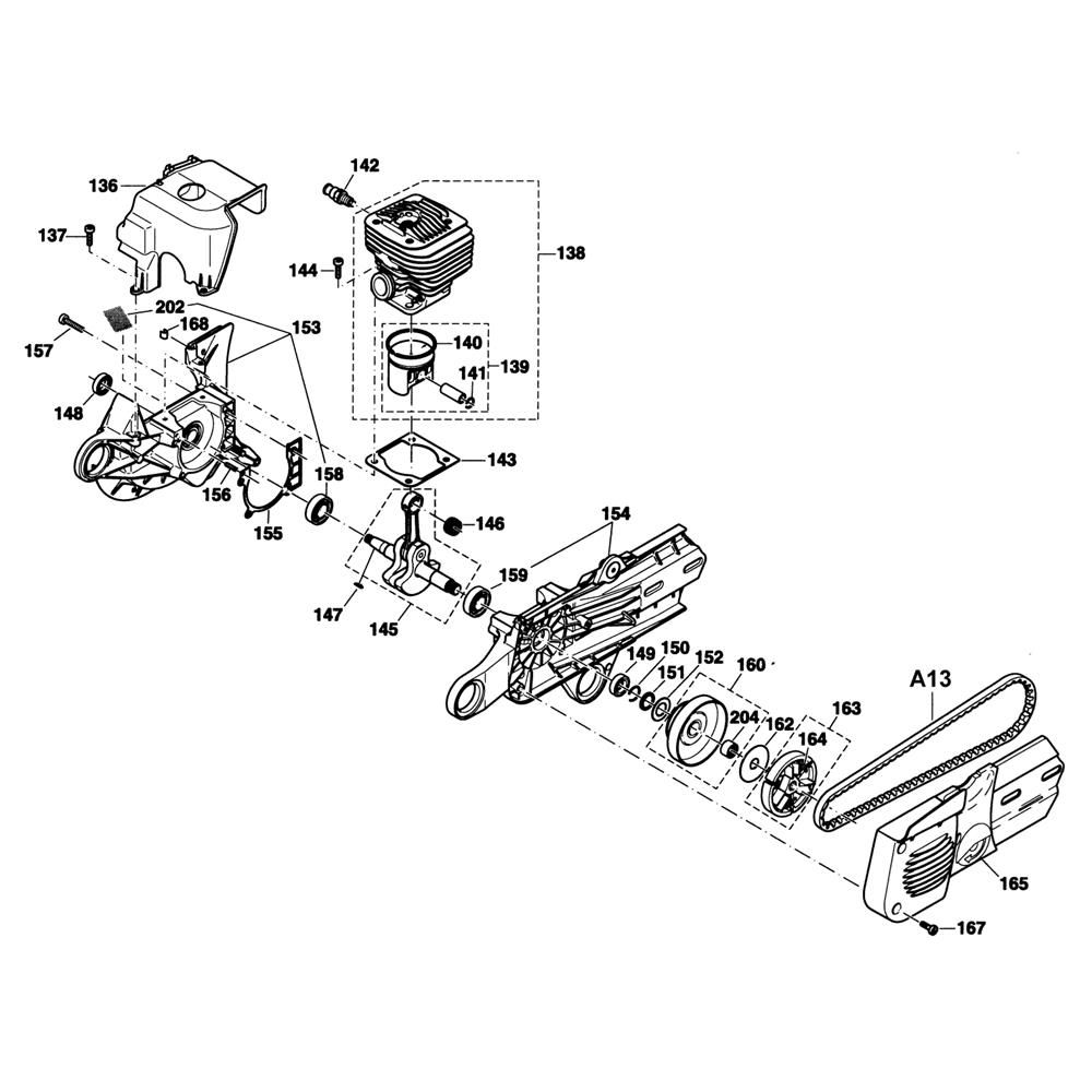
Description
The Cylinder, Crankshaft, and Clutch Assembly for the Makita DPC6411 Disc Cutter includes key components essential for optimal performance. This assembly ensures efficient power transfer and smooth operation, helping to maintain the cutter's reliability. Genuine Makita parts are available to suit various repair and maintenance needs.
Reviews
Add a review
Write Your Own Review
Ask a Question
Customer Questions

