Description
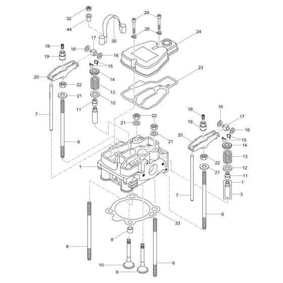
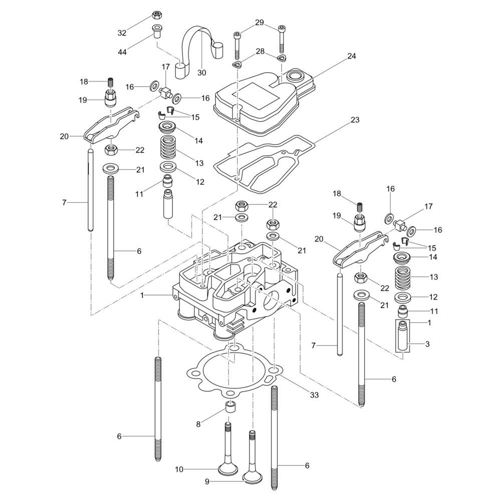
The Cylinder Head Assembly for the Wacker DPS1850H Plate Compactor is essential for maintaining optimal engine performance. This assembly includes components that ensure efficient compression and combustion, crucial for the compactor's operation. Genuine Wacker Neuson parts are designed to fit perfectly, providing reliability and durability in demanding conditions.
Reviews
Add a review
Write Your Own Review
Ask a Question
Customer Questions

