Description
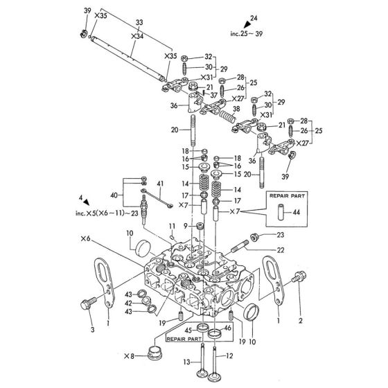
The Cylinder Head Assembly for the Yanmar 2TN66E-YL Engine is crucial for optimal engine performance. It includes components that ensure efficient combustion and heat dissipation, contributing to the engine's reliability and longevity. Typical parts may include valves, springs, and gaskets, all designed to fit precisely and function effectively within the engine system.
Reviews
Add a review
Write Your Own Review
Ask a Question
Customer Questions

