Description
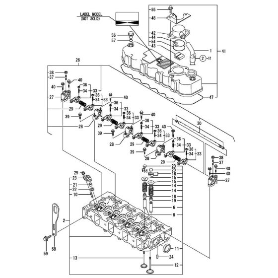
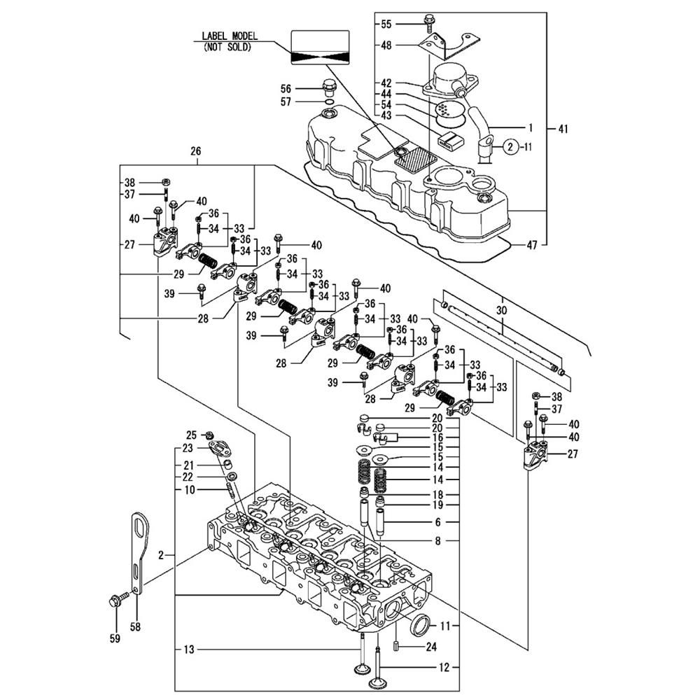
The Cylinder Head and Bonnet Assembly for the Yanmar 4TNE88-RBS1 Engine includes key components essential for optimal engine performance. This assembly helps manage airflow and combustion, ensuring efficient operation. Genuine Yanmar parts are designed for durability and compatibility, providing reliable service for industrial and agricultural machinery.
Reviews
Add a review
Write Your Own Review
Ask a Question
Customer Questions

